16年9月23日,全国汽车标准化委员会在官方网站公布了由电动车辆分标委组织修订的汽车推荐性国家标准《电动汽车用动力蓄电池产品规格尺寸》征求意见稿。笔者乍看之初有些意外,仔细阅读编制说明、梳理原委之后,笔者相信,未来中国的动力电池行业将进一步马太效应化,强者愈强、弱者愈弱。
电池尺寸统一有三大理由
图1动力电池标准

动力电池本身由于其相对昂贵的特性,使得其规模化效应非常强。所以整个动力电池产业有三根柱子,尺寸、性能和安全,而尺寸的问题牵涉很深。如果没有相对统一的规格尺寸,由此带来许多问题:
·电池单体生产企业:生产和研发成本增加,材料技术创新到上量的时间增加,再到大规模制造、市场应用增加不确定性。
·电池系统集成和整车企业:电池单体选型存在多条路径,需要选择不同的方案来对比,应用端的技术积累周期拉长,如选择错误则会削弱最终产品的竞争力。
·全生命周期考虑:在电池回收利用方面,很难形成不同企业的兼容性
解决这三个问题,应该就是动力电池尺寸统一的主要诉求。
尺寸标准从何而来
与上述《电动汽车用动力蓄电池产品规格尺寸》征求意见稿一同发布的编制说明,细致的描述了尺寸标准形成的两个阶段的情况,也体现出了整个征求意见稿得出结果的过程:
第一阶段(2014年初-2015年9月)
发表《规格尺寸标准调研表》,然后汇总再分析。这一阶段电池种类繁多,尺寸多样,但是无法根据数据分析的方法确定一个合理的尺寸筛选原则,从而选取最具代表性的产品尺寸。因此有后续的第二阶段。
第二阶段(2015年10月-2016年9月)
这一阶段参考“车辆生产企业及产品公告数据库”和“汽车动力蓄电池生产企业管理系统”这两个数据库,通过权重筛选指标的方法:
·从现有市场的需求出发,平衡电池与整车的实际情况
·通过技术筛选,通过比能量指标评判先进与否

图2意见过程
所以我们看到的单体结果为:
·与ISO/IECPAS16898相比,这个GBT的要求更为精简,把16898的宽泛的要求限制在一个比较小的范围之内
·与DINSPEC91252,兼容现有国内的车型
91252主要根据乘用车的需求来做的,考虑HEV(混合动力汽车)、PHEV(插电式混合动力汽车)和EV(纯电动汽车)的需求,少了国内商用车的应用场景


图3VDA(德国汽车工业联合会)的单体要求
标准将有何影响?
关于制定标准,ISO(国际标准化组织)和DIN(德国标准化学会)都只规定到电池单体层级,电池模块和系统的层级都没有规定。而我国GBT(推荐性国家标准)这里在这方面做了更细致的界定:根据GBT推荐的单体组成的模块推荐了模块的范围、根据梯次利用的要求推荐了电压要求、根据12V的倍数来配置单体的数量。如此尚属全球首例的细分延展,对于我国相较之下拥有更多新能源浪潮玩家的大环境下究竟是利是弊,是更加标准规范化还是压缩了潜在工程设计的空间,还有待时间的检验。
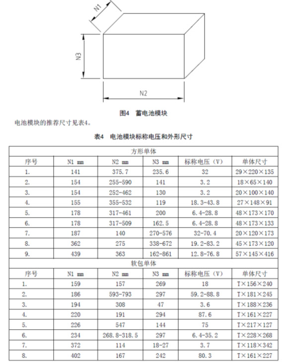
而谈到具体的尺寸规定:
(1)圆柱形:圆柱形电池单体尺寸小,模块成组的尺寸更加灵活,不对圆柱形电池模块的尺寸做出规定。
(2)方形和软包的模块列表如下,根据实际要求,这里的规格尺寸可保持一个面尺寸不变,在一个自由度上进行调整。

从这个标准来看,未来中国的动力电池行业将进一步马太效应化,强者愈强、弱者愈弱,整个行业开始往巨头化运作,而整车企业被动的在上游端实现了“模块化”,猜测会有几个可能性:
·电池企业进一步扩展规模,跟不上的要落在第二和第三梯队
·随着标准化发展,有雄心的车企也会根据自己的情况选择进入动力电池行业
·前路已经扫清,高举高打的模式即将展开,未来国家也希望出现龙头的几家电池企业和上销量的整车车企。




