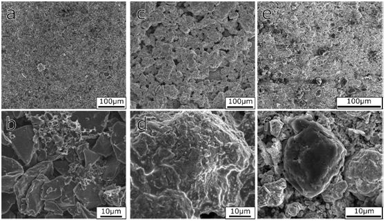
循环利用的负极材料如果来自于不同的电池会怎样,电池的性能还能保持一致吗?为了讨论不同的重复利用负极材料的特性,将来自不同电池的负极材料回收后,重新做成负极,利用SEM观察其形貌,如图所示。
可以看出,VG和RAM的形貌有很大的不同,VG材料是片状结构的石墨层堆叠而成,循环过后的负极则由更小的片状组成,表面不如VG材料一样有较大的起伏,但是并不影响整体的循环性能。

图.VG材料的SEM(a)、(b)两种不同来源RAM材料SEM(c).(d).(e).(f)
在此之外,还进行了小规模的扩大试验,证明了从废弃电池中回收负极材料用于锂电池的可行性。与实验操作相比,为了保证拆解过程中的安全性,扩大试验需要在惰性的气氛中进行。结果表明,废弃电池中的负极材料可以通过机械方式从商业电池中提取,而且利用从耗尽的电池取得的负极材料制作的电池在初始10周循环中没有明显的衰减。
使用不知道其循环历史和制造质量的RAM,可以真实地模拟现实世界的LiB回收条件。将RAM投入新负极制造的效果可以从SEM中看出,同时对废弃锂电池回收有了新的途径。虽然RAM的形态各不相同,但是其性能并无明显差异。
在整个实验中,虽然不太广泛,还是可以观察到石墨材料预锂化的现象,从而可以证明锂嵌入碳材料的可能性。通过相同的处理,利用RAM和VG制作的负极表现出相似的循环稳定性,RAM负极具有更高的首效。RAM和VG电池类似的首次循环表明虽然经过使用,寿命终了了,RAM仍旧保持着结晶度。
首次循环容量的提高主要归因于锂离子嵌入循环后的负极材料,没有造成Li含量的消耗。但是要确认预锂化有助于RAM电池中SEI的重新形成的程度,则需要进一步的研究。此外,更多的数据需要进行测试,例如在长期循环中的变化、倍率依赖性等。
分析认为,锂电池在充放电过程中,负极材料必然会发生或多或少的晶体结构变化,寿命终止的电池负极材料想要与未使用过的负极材料性能结构一致还是不可能的。同时,试验中对于采样的合理性要考虑到,电化学性能测试也不全面,需要进一步验证。负极材料重新利用是一个好的废弃物处理办法,将不同种类的负极材料进行分类处理,根据产品用途进行筛选分级可以保证产品质量及废弃物使用效率。




