能源消耗是全球面临的普遍问题,许多行业努力通过实现更安全、更清洁、更高效、低成本的电源解决方案来应对这一问题。混合动力和电动汽车、太阳能、风能的日渐盛行就是这种趋势的结果。所有这些解决方案都有一个共同之处:锂离子电池。由于这些领域增长迅速,锂离子电池将在节能方面起到更重要的作用。
锂离子电池制造程序非常复杂,包括电极生产、堆叠结构和单元装配。然后要执行电气测试,以便评定电池容量和性能。这之后还要执行电气测试,以便评定电池在工作中的容量,即额定值。对于锂离子电池制造中的这些电气测试,需要高功率、高效率和高精度的测试设备。ADI公司基于AD8450/1和ADP1972的解决方案正是为此而推出。
系统设计考虑因素
效率
笔记本电脑、手机和类似便携设备中锂离子电池的容量通常很小,典型值是数安时。但是,用于车辆或储能的锂离子电池容量则高得多,通常在数十甚至数百安时左右。用于小容量电池的线性测试设备,如果也用于高容量电池测试,在充电阶段将会消耗大量功率,导致效率低下,而且会给设备硬件设计带来相当严重的热问题。ADIAD8450/1和ADP1972解决方案基于PWM架构,有助于解决这一问题。
ADIPWM架构还能帮助把更多电池能量送回电网或其他测试通道进行充电。与将电池能量放电至阻性负载的线性架构相比,这是一种环保且高效的解决方案。
精度
为了获得准确的锂离子电池容量,需要精确测量充电和放电两种模式下的电流和电压。结合系统中的精密ADC、DAC和其他器件,ADI公司基于AD8450/1和ADP1972的解决方案可实现高精度测量和设定。
低系统成本
·更高的开关频率支持使用尺寸更小、价格更低的功率元件,如电感和电容等
·能源回收利用有助于降低运营成本
·AD8450/1精度更高,可降低热管理成本,简化控制环路设计
·AD8450/1采用独特的仪表放大器设计,制造过程中的校准时间可缩短一半,性能保证时间可更长
·集成解决方案使得系统尺寸更小,设备和维护成本更低
ADI解决方案
系统框图
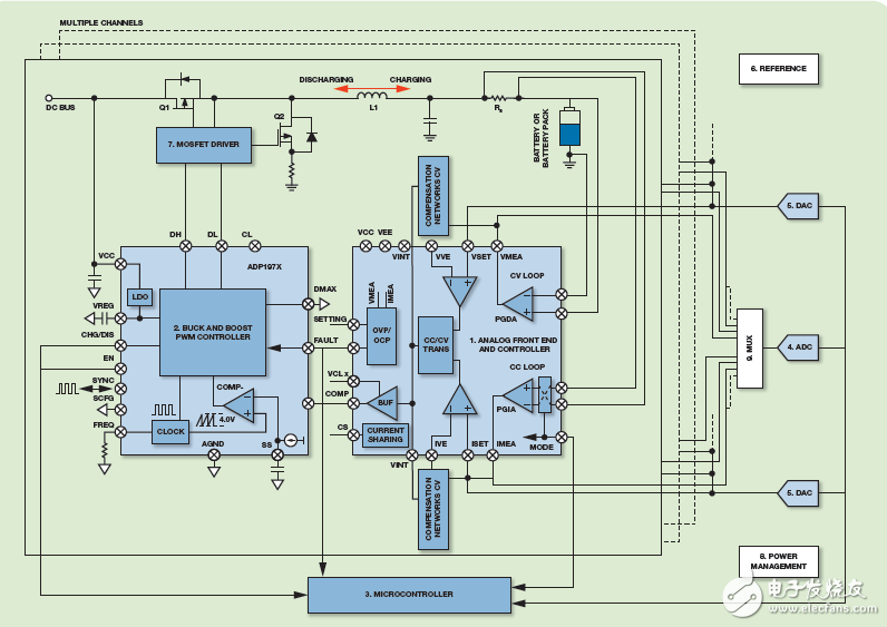
下面是从直流母线到电池的系统框图,包括微控制器、模拟前端和控制器、PWM控制器、高压MOSFET驱动器、功率级(MOSFET、电感、电容、分流电阻)、电压/电流读取(ADC)以及电压/电流设置(DAC)。

注释:上述信号链代表从直流母线到电池的通道板设计。模块的技术要求可变化,但下表列出的产品代表满足部分要求的ADI解决方案。
1.模拟前端和控制器AD8450/AD8451
2.降压和升压PWM控制器ADP1972
3.微控制器ADuC7060/ADuC7061
4.模数转换器AD7173-8/AD7175-2
5.DACAD5686R/AD5668/AD5676R
6.基准电压源ADR3450/ADR4550
7.MOSFET驱动器ADuM7223
8.电源管理ADP2441/ADP7102/ADM8829
9.多路复用器ADG528F/ADG5408/ADG658/ADG1406
系统工作原理
上图主要包含两个功能:一是对电池充电,二是对电池放电,这由AD8450/1和ADP1972的模式信号决定。每个功能有两种模式:恒流(CC)模式和恒压(CV)模式。两个DAC通道控制CC和CV设定点。CC设定点决定充电和放电两个功能的CC模式下环路中有多少电流。CV设定点决定环路从CC进入CV时的电池电位,同样适用于充电和放电两个功能。
精密模拟前端和控制器AD8450/1利用内部差动放大器PGDA测量电池电压,并利用内部仪表放大器PGIA和外部分流电阻(RS)测量电池上的电流。然后,它通过内部误差放大器和外部补偿网络(用于确定环路功能是CC还是CV),将该电流和电压与DAC设定点相比较。在该模块之后,误差放大器的输出进入PWM控制器ADP1972,以确定MOSFET功率级的占空比。最后是构成完整环路的电感和电容。本部分的说明针对充电和放电两个功能,因为ADP1972是降压和升压PWM控制器。
本方案中,ADC获得环路电压和电流的读数,但它不是控制环路的一部分。扫描速率与控制环路的性能无关,因此一个ADC就能测量多通道系统中大量通道的电流和电压。DAC也是如此,因而可以使用低成本DAC来设置多个通道。此外,单个处理器只需控制CV和CC设定点、工作模式及管理功能,因而它可以与许多通道接口。
系统性能
ADI公司制作了ADP1972和AD8450演示板如下图,可以用来验证其效率和精度。对于该异步降压和升压电源系统,直流母线输入为12V,最大充电/放电电流为20A。

效率:在最大额定值、20ACC模式(充电和放电功能均如此)及3.3V负载条件下,演示板的效率约为90%。为实现这一数值,体外二极管、分流电阻、电感和MOSFET均经过优化。
精度:校准初始精度之后,电流的精度包括温漂、全电流范围(0A至20A)内的线性度、短期稳定性(噪声)和全电压范围(0V至3.6V)内的CMRR。在演示板上验证的结果是,该ADI解决方案的典型电流精度为0.01%以下(25°C±10°C)。对电压精度可以进行类似的分析,经过此演示板验证,它同样在0.01%以下。




