目前,纯电动客车动力电池的安装方式通常采用多个并联的电池模块安装在电池箱内,然后将多个电池箱固定在客车电池舱内,电池箱之间通过箱外的正、负极串联。由于纯电动客车使用的动力电池有相当一部分充电方式采用直充式,也就是将车辆上所有的电池模块串联在一起充电,同时由于同一辆车中的不同电池模块在容量和内阻等方面都存在差别。因此,随着充放电次数的增加,不同电池模块在电压、SOC等方面的不均衡性会越来越明显[9],导致有些电池模块会充不满且放不尽,而有些电池模块则会造成过充或者过放。
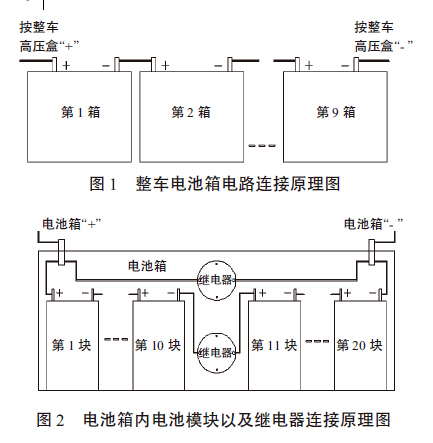
某款纯电动城市客车有9个电池箱,每个电池箱由20个电池模块串联,每个电池模块是由32个12.5Ah/3.2V的磷酸铁锂单体电池并联而成。因此,每个电池模块的额定容量为400Ah,标称电压为3.2V;整车电池总额定容量400Ah,标称电压为576V。交流异步电机的额定功率为100kW,额定电压为576V,最低使用电压为450V,最高使用电压为700V。
防止电池过充或过放电路设计采用在每个箱内第10、11电池模块之间串联一个EV200继电器,其额定电流为200A,控制电流为100mA。将20个电池模块等分成两部分,每部分10个电池模块都是直接串联在一起的,同时在每一个电池箱的正、负极间串联一个EV200继电器。在正常充、放电时,串联在电池模块间的继电器闭合,串联在电池箱正、负极间的继电器断开,保证该箱电池模块能够正常充、放电。在充电时,当某一箱电池模块充电到最高电压时,该电池箱串联在电池模块间的继电器断开,同时串联在电池箱正、负极间的继电器闭合。
该箱电池组就停止充电,并且保证了其它电池箱的电池模块正常充电;当最后一箱电池充满电时,充电机自动关闭。在放电时,当某一箱电池模块降到最低电压时,该箱串联在电池模块间的继电器断开,同时串联在箱体正、负极间的继电器闭合,该箱电池会停止放电。此时电机就会限制功率并有相关报警措施,提醒驾驶员就近充电维护电池。因此,可以避免发生两个或两个以上电池箱的模块间继电器同时断开的情况,不会出现电压降得太低而使电机不能正常工作。图1为整车电池箱电路连接原理图;图2为电池箱内电池模块以及继电器连接原理图。





