我们常常听到的变频空调等。那么究竟变频器是什么呢?
变频器原理
变频是现代电力电子技术领域发展而来的,是我们常用的直流电与交流电之间的变换装置。它还可以改变我们交流电的频率,来控制交流电动机的电力控制设备。变频器主要由整流(交流变直流)、滤波、逆变(直流变交流)、制动单元、驱动单元、检测单元微处理单元等组成。

变频器靠内部IGBT的开断来调整输出电源的电压和频率,根据电机的实际需要来提供其所需要的电源电压,进而达到节能、调速的目的,另外,变频器还有很多的保护功能,如过流、过压、过载保护等等。

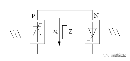
上图为变交流频率的电路,P、N为变流器电路,可以把交流电整定为直流电,并加载到负荷Z,当给P的脉冲信号成正弦规律时,整定出的直流呈正弦的规律,为正弦曲线的上半部分,周期为脉冲信号的正弦规律周期,是交流电周期的整数倍。通过P和N的配合,就形成了在负荷Z上的周期正弦电流,并且频率可以根据脉冲信号周期调节,这就是变频器的工作原理。
变频空调就是装载这种变频器的,可以使空调运行在不同的频率下,可以根据你设定的温度与室温进行比较自动调整运行频率,温差大运行频率就高,制冷或制热就快,反之就小。当房间温度接近设置温度时,保持最低频运行(运行频率越低,功率就越小,耗电量也就越低),避免室外压缩机的频繁启动,从而节约电能。
另外,变频器运用在电动机上,可以实现无级调速,这在汽车、机车等领域广泛运用,实现了速度调节的连续性。
变频器主电路结构
一般认为,从主电路的结构和原理上可以认为电路分为电压型结构和电流型控制结构;从工作方式上,变频器的主要功能是实现交流到交流的电能变换,故而,这种电路工作方式是交交变换或者是交直交变换的形式。

这两种变换电路在本质功能上属于不同的电路结构,两者各有不同特点。对于交交变频器,省去了直流的中间环节,但是开关管的数量并没有降低,往往一个桥臂需要的开关管的数量会增加一倍,这种电路结构常见于超大功率的低速调节电路。其最大的缺点是输出的电源频率必须小于电网频率的1/3或者1/2,否者输出的电压波形畸变很大,故适合电机低速的场合。最新的研究中,矩阵式的电流结构得到了越来越多的关注,但是,这种电路结构最大的问题在于控制的复杂性,往往需要复杂的调制策略。
另外一种通用性较强的电路结构是交直交的主电路结构,从工作方式上又可以分为电压型和电流型结构,前者的使用范围较为广泛。
其特点是:中间为电解电容储存提供母线电压,前级采用二极管不控整流,简单可靠,逆变采用三相PWM调制(目前调制算法是空间电压矢量)。由于采用了一定容量的电解电容,所以直流母线电压稳定,此时只要控制好逆变IGBT的开关顺序(输出相序、频率)和占空比(输出电压大小),就可以获得非常优越的控制特性。
采用电压型交直交变频器这种整流变频装置具有结构简单、谐波含量少、定转子功率因数可调等优异特点,可以明显地改善双馈发电机的运行状态和输出电能质量,并且该结构通过直流母线侧电容完全实现了网侧和转子侧的分离。电压型交直交变频器的双馈发电机定子磁场定向矢量控制系统,实现了基于风机最大功率点跟踪的发电机有功和无功的解耦控制,是目前变速恒频风力发电的一个代表方向。
为了适应不同的电网工作状况,对变频器提出了更多的要求,为了适应不同的电网电压的要求,有些变频器会在电路结构中加入直流占波部分,将电压按照电机的工况要求进行升压,比如加入boost电路。在电网噪声比较大的情况下,为了保证电路的正常使用,会加入前段的滤波电路。

变频器如何选型
工业控制中经常使用工业变频器,如何为这些运动电机选择合适的变频器是一个被大家较为关注的问题。这个问题,应该依据现场的工作环境,被控制的对象,速度要求的范围,稳态速度精度,转矩要求,以及现场布线情况来进行要求。在生产工艺和生产经济性之间进行一个平衡。
变频器的选型依据是按照变频器的工作电流特性曲线包括负载电流曲线这一原则作为依据的。定性的来说,从电压匹配,电流匹配,转矩匹配上进行选型。这就要求我们队现场的用电情况有一个全面彻底的了解,对用电电压的等级,电压的波形质量进行全方位的了解,以保证变频器能够正常的工作,其次,要对负载有一定的认知,负载的性能曲线决定了变频器的应用方法,普通的离心泵变频器的额定电流与电机的额定电流相符,深水泵则需要更大的电流。
工程上的经验是,使用的电机功率多大,就是使用多大功率的变频器,一般为了留出余量,会使用稍微大规格的变频器。若现场的电机需要频繁的启动和制动,则必须要安装制动电阻,制动电阻的大小应该依据功率的大小选定。若工厂的环境比较恶劣,粉尘较大,散热比较困难,可以选择水冷式的变频器,这样可以有效的防止模块的炸裂,此外有效的降低了噪声。若是需要做老化测试的设备,可以考虑使用四象限的产品,有效的降低功率损耗。若现场有单独的直流电,可以只使用纯逆变的模组节约投入。此外,在大功率的变频器进线端,必须加入电抗器,这样既可以改善输入设备的电能质量,也可以提高设备的功率因数。
此外,根据变频器的功能可以选择不同精度的控制电机,一般的工业电机为交流感应电机,可以使用恒压控制或者恒流控制,根据电机类型的不同,使用的设备也不完全一样。根据电机的控制目的不同可以选择的变频器功能也不尽相同。
在使用变频器驱动高速电机时,由于高速电机的电抗小,高次谐波增加导致输出电流值增大。因此用于高速电机的变频器的选型,其容量要稍大于普通电机的选型。变频器如果要长电缆运行时,此时要采取措施抑制长电缆对地耦合电容的影响,避免变频器出力不足,所以在这样情况下,变频器容量要放大一档或者在变频器的输出端安装输出电抗器。对于一些特殊的应用场合,如高温,高海拔,此时会引起变频器的降容,变频器容量要放大一挡。
在一些精度要求严格的场合,需要对电机进行一系列测试后然后选型,甚至对电机的旋转编码器也提出了一定的要求。总而言之,因事因地制宜,根据不同的现场状况选择不同的电机和变频器是一条不变的准则。
变频器十二问
1、电压型与电流型有什么不同?
变频器的主电路大体上可分为两类:电压型是将电压源的直流变换为交流的变频器,直流回路的滤波是电容;电流型是将电流源的直流变换为交流的变频器,其直流回路滤波是电感。
2、电动机使用工频电源驱动时,电压下降则电流增加;对于变频器驱动,如果频率下降时电压也下降,那么电流是否增加?
频率下降(低速)时,如果输出相同的功率,则电流增加,但在转矩一定的条件下,电流几乎不变。
3、采用变频器运转时,电机的起动电流、起动转矩怎样?
采用变频器运转,随着电机的加速相应提高频率和电压,起动电流被限制在150%额定电流以下(根据机种不同,为125%~200%)。用工频电源直接起动时,起动电流为额定电流6~7倍,因此,将产生机械电气上的冲击。
采用变频器传动可以平滑地起动(起动时间变长)。起动电流为额定电流的1.2~1.5倍,起动转矩为70%~120%额定转矩;对于带有转矩自动增强功能的变频器,起动转矩为100%以上,可以带全负载起动。
4、在说明书上写着变速范围60~6Hz,即10:1,那么在6Hz以下就没有输出功率吗?
在6Hz以下仍可输出功率,但根据电机温升和起动转矩的大小等条件,最低使用频率取6Hz左右,此时电动机可输出额定转矩而不会引起严重的发热问题。变频器实际输出频率(起动频率)根据机种为0.5~3Hz。。
5、对于一般电机的组合是在60Hz以上也要求转矩一定,是否可以?
通常情况下时不可以的。
6、所谓开环是什么意思?
给所使用的电机装置设速度检出器(PG),将实际转速反馈给控制装置进行控制的,称为“闭环”,不用PG运转的就叫作“开环”。通用变频器多为开环方式,也有的机种利用选件可进行PG反馈.无速度传感器闭环控制方式是根据建立的数学模型根据磁通推算电机的实际速度,相当于用一个虚拟的速度传感器形成闭环控制。
7、实际转速对于给定速度有偏差时如何办?
开环时,变频器即使输出给定频率,电机在带负载运行时,电机的转速在额定转差率的范围内(1%~5%)变动。对于要求调速精度比较高,即使负载变动也要求在近于给定速度下运转的场合,可采用具有PG反馈功能的变频器(选用件)。
8、失速防止功能是什么意思?
如果给定的加速时间过短,变频器的输出频率变化远远超过转速(电角频率)的变化,变频器将因流过过电流而跳闸,运转停止,这就叫作失速。为了防止失速使电机继续运转,就要检出电流的大小进行频率控制。当加速电流过大时适当放慢加速速率。减速时也是如此。两者结合起来就是失速功能。
9、有加速时间与减速时间可以分别给定的机种,和加减速时间共同给定的机种,这有什么意义?
加减速可以分别给定的机种,对于短时间加速、缓慢减速场合,或者对于小型机床需要严格给定生产节拍时间的场合是适宜的,但对于风机传动等场合,加减速时间都较长,加速时间和减速时间可以共同给定。
10、为什么用离合器连接负载时,变频器的保护功能就动作?
用离合器连接负载时,在连接的瞬间,电机从空载状态向转差率大的区域急剧变化,流过的大电流导致变频器过电流跳闸,不能运转。
11、什么是变频分辨率?有什么意义?
对于数字控制的变频器,即使频率指令为模拟信号,输出频率也是有级给定。这个级差的最小单位就称为变频分辨率。
变频分辨率通常取值为0.015~0.5Hz.例如,分辨率为0.5Hz,那么23Hz的上面可变为23.5、24.0Hz,因此电机的动作也是有级的跟随。这样对于像连续卷取控制的用途就造成问题。
在这种情况下,如果分辨率为0.015Hz左右,对于4级电机1个级差为1r/min以下,也可充分适应。另外,有的机种给定分辨率与输出分辨率不相同。
12、为什么变频器不能用作变频电源?
变频电源的整个电路由交流一直流一交流一滤波等部分构成,因此它输出的电压和电流波形均为纯正的正弦波,非常接近理想的交流供电电源。
可以输出世界任何国家的电网电压和频率。而变频器是由交流一直流一交流(调制波)等电路构成的,变频器标准叫法应为变频调速器。
其输出电压的波形为脉冲方波,且谐波成分多,电压和频率同时按比例变化,不可分别调整,不符合交流电源的要求。原则上不能做供电电源的使用,一般仅用于三相异步电机的调速。




